HCF4054 Datasheet

  • HCF4054

  • LIQUID-CRYSTAL DISPLAY DRIVERS

  • 291.36KB

  • STMicroelectronics   STMicroelectronics

扫码查看芯片数据手册

上传产品规格书

PDF预览

HCC/HCF4054B/55B/56B
TYPICAL APPLICATIONS
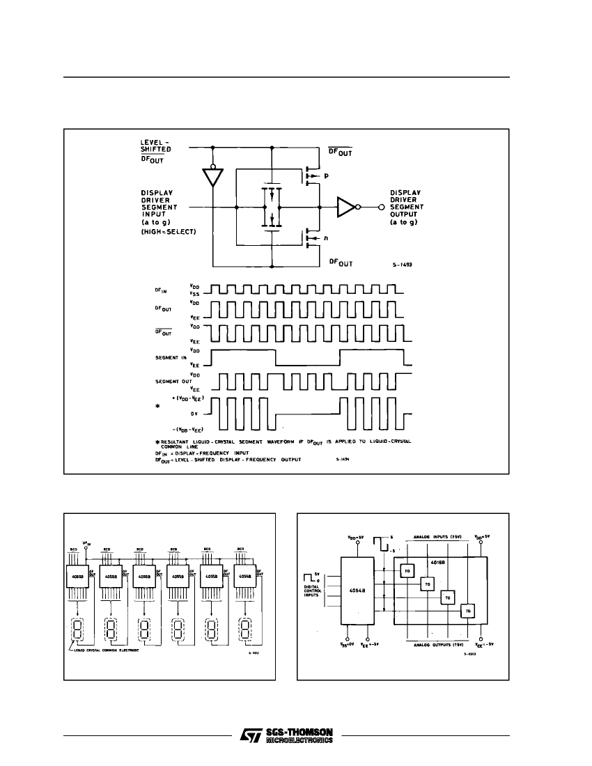
Figure 9 :
Display-driver Circuit for one Segment Line and Waveforms.
(a)
(b)
Figure 10 :
Clock Display.
Figure 11 :
Digital (0 to + 5V) to bidirectional Analog
Control (+ 5 to 鈥?5V) Level Shifter.
V
DD
= 0V, V
SS
= 鈥?5V, V
EE
= 鈥?15V, F
IN
= 30 Hz square wave.
8/15

HCF4054相关型号PDF文件下载

您可能感兴趣的PDF文件资料

热门IC型号推荐

扫码下载APP,
一键连接广大的电子世界。

在线人工客服

买家服务:
卖家服务:
技术客服:

0571-85317607

网站技术支持

13606545031

客服在线时间周一至周五
9:00-17:30

关注官方微信号,
第一时间获取资讯。

建议反馈
返回顶部

建议反馈

联系人:

联系方式:

按住滑块,拖拽到最右边
>>
感谢您向阿库提出的宝贵意见,您的参与是维库提升服务的动力!意见一经采纳,将有感恩红包奉上哦!