你好,欢迎来到维库电子市场网
在之前应用中,有很多关于PMBus ? 的好处以及 PMBus负载点解决方案如何获得这些好处的讨论。但是,需要多相转换器的真正大电流 ASIC 内核轨呢? 企业服务器和交换机、存...
在电子电路设计领域,温度和湿度的监测与控制至关重要。利用特定芯片构建的超限报警器能够及时反馈环境状态,保障系统安全稳定运行。本文将详细介绍利用 LC179 构成的温度...
在汽车电子系统中,电源的适配和转换是一个关键问题。通常汽车上只有电瓶提供的 +12V 电压,然而部分功放设备却需要直流 +48V 电源。为了解决这一电压适配问题,我们可以采...
在全球倡导节能减排的大背景下,高效节能的照明设备成为了市场的热门需求。LED 作为一种新型的照明光源,以其低功耗、长寿命等优点,在照明领域得到了广泛的应用。本文将详...
光电转换过程的核心原理是光子将能量传递给电子,促使电子运动从而形成电流。目前,实现这一过程主要有两种途径。其中,最常见的一种是使用以硅为主要材料的固体装置。硅具...
在电子设备的日常使用中,充电器是不可或缺的配件。然而,当充电器没有设计防反接电路时,一旦电池接反,就极有可能造成充电器损坏,带来不必要的经济损失。因此,部分厂家...
在现代家庭中,液晶电视机已成为不可或缺的娱乐设备。打开液晶电视的外壳,展现在我们眼前的是几块电路板,它们各自承担着不同的功能,共同构成了液晶电视机复杂的电路系统...
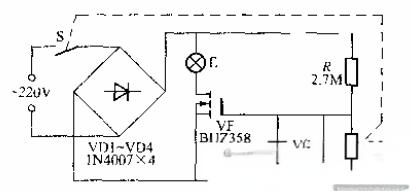
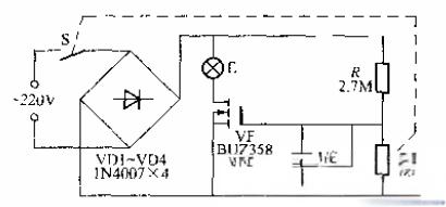
在电焊作业中,电焊工在焊接过程中常常需要做一些准备工作,这会使电焊机处于空载运行状态,从而造成大量的电能浪费。为了减少这种不必要的电能损耗,让电焊机在工作时有电...
在现代的空调器系统中,电压检测电路扮演着至关重要的角色。它就像是空调器的 “安全卫士”,时刻守护着空调器的稳定运行,防止因外界电压的异常变化对其造成损害。电压检...
经常看到有人在应用MC34063的时候会遇到这样那样的问题,特别的电路中的参数计算上很是不太明了,我会陆续贴上一些相关的计算公式及相关应用数据。 MC34063电路计算公式...
扫码下载APP, 一键连接广大的电子世界。
在线人工客服
0571-85317607
网站技术支持
13606545031
客服在线时间周一至周五 9:00-17:30
关注官方微信号, 第一时间获取资讯。
联系人:
联系方式: