EP1C12F256I7N Datasheet

  • EP1C12F256I7N

  • CYCLONE FPGA 12K, SMD, 1C12F256; Programmable Logic Type:FPG...

  • 1359.00KB

  • 104页

  • Altera   Altera

扫码查看芯片数据手册

上传产品规格书

PDF预览

Cyclone FPGA Family Data Sheet
Preliminary Information
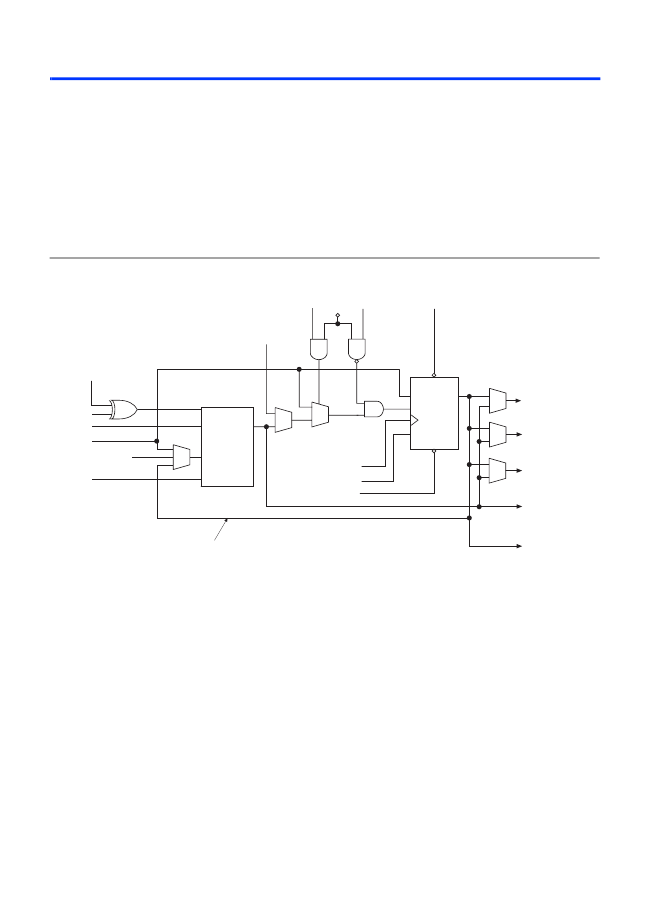
Normal Mode
The normal mode is suitable for general logic applications and
combinatorial functions. In normal mode, four data inputs from the LAB
local interconnect are inputs to a four-input LUT (see
Figure 6).
The
Quartus II Compiler automatically selects the carry-in or the
data3
signal
as one of the inputs to the LUT. Each LE can use LUT chain connections to
drive its combinatorial output directly to the next LE in the LAB.
Asynchronous load data for the register comes from the
data3
input of
the LE. LEs in normal mode support packed registers.
Figure 6. LE in Normal Mode
sload
sclear
(LAB Wide) (LAB Wide)
Register chain
connection
aload
(LAB Wide)
addnsub (LAB Wide)
(1)
data1
data2
data3
cin (from cout
of previous LE)
data4
4-Input
LUT
ALD/PRE
ADATA Q
D
ENA
CLRN
Row, column, and
direct link routing
Row, column, and
direct link routing
clock (LAB Wide)
ena (LAB Wide)
aclr (LAB Wide)
Local routing
LUT chain
connection
Register
chain output
Register Feedback
Note to
Figure 6:
(1)
This signal is only allowed in normal mode if the LE is at the end of an adder/subtractor chain.
12
Altera Corporation

EP1C12F256I7N 产品属性

  • Three Reasons to Use FPGA's in Industrial Designs

  • 90

  • 集成电路 (IC)

  • 嵌入式 - FPGA(现场可编程门阵列)

  • Cyclone®

  • 1206

  • 12060

  • 239616

  • 185

  • -

  • 1.425 V ~ 1.575 V

  • 表面贴装

  • -40°C ~ 100°C

  • 256-BGA

  • 256-FBGA(17x17)

  • 544-1676

EP1C12F256I7N相关型号PDF文件下载

您可能感兴趣的PDF文件资料

热门IC型号推荐

扫码下载APP,
一键连接广大的电子世界。

在线人工客服

买家服务:
卖家服务:
技术客服:

0571-85317607

网站技术支持

13606545031

客服在线时间周一至周五
9:00-17:30

关注官方微信号,
第一时间获取资讯。

建议反馈
返回顶部

建议反馈

联系人:

联系方式:

按住滑块,拖拽到最右边
>>
感谢您向阿库提出的宝贵意见,您的参与是维库提升服务的动力!意见一经采纳,将有感恩红包奉上哦!