EP1C12F256I7N Datasheet

  • EP1C12F256I7N

  • CYCLONE FPGA 12K, SMD, 1C12F256; Programmable Logic Type:FPG...

  • 1359.00KB

  • 104页

  • Altera   Altera

扫码查看芯片数据手册

上传产品规格书

PDF预览

Cyclone FPGA Family Data Sheet
Preliminary Information
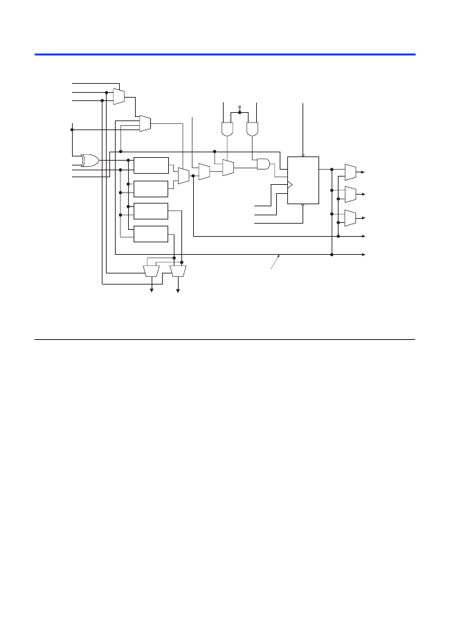
Figure 7. LE in Dynamic Arithmetic Mode
LAB Carry-In
Carry-In0
Carry-In1
addnsub
(LAB Wide)
(1)
sload
sclear
(LAB Wide) (LAB Wide)
Register chain
connection
aload
(LAB Wide)
data1
data2
data3
LUT
ALD/PRE
ADATA Q
D
ENA
CLRN
Row, column, and
direct link routing
Row, column, and
direct link routing
LUT
LUT
clock (LAB Wide)
ena (LAB Wide)
aclr (LAB Wide)
Local routing
LUT
LUT chain
connection
Register
chain output
Register Feedback
Carry-Out0 Carry-Out1
Note to
Figure 7:
(1)
The
addnsub
signal is tied to the carry input for the first LE of a carry chain only.
Carry-Select Chain
The carry-select chain provides a very fast carry-select function between
LEs in dynamic arithmetic mode. The carry-select chain uses the
redundant carry calculation to increase the speed of carry functions. The
LE is configured to calculate outputs for a possible carry-in of 0 and carry-
in of 1 in parallel. The
carry-in0
and
carry-in1
signals from a lower-
order bit feed forward into the higher-order bit via the parallel carry chain
and feed into both the LUT and the next portion of the carry chain. Carry-
select chains can begin in any LE within an LAB.
The speed advantage of the carry-select chain is in the parallel pre-
computation of carry chains. Since the LAB carry-in selects the
precomputed carry chain, not every LE is in the critical path. Only the
propagation delays between LAB carry-in generation (LE 5 and LE 10) are
now part of the critical path. This feature allows the Cyclone architecture
to implement high-speed counters, adders, multipliers, parity functions,
and comparators of arbitrary width.
14
Altera Corporation

EP1C12F256I7N 产品属性

  • Three Reasons to Use FPGA's in Industrial Designs

  • 90

  • 集成电路 (IC)

  • 嵌入式 - FPGA(现场可编程门阵列)

  • Cyclone®

  • 1206

  • 12060

  • 239616

  • 185

  • -

  • 1.425 V ~ 1.575 V

  • 表面贴装

  • -40°C ~ 100°C

  • 256-BGA

  • 256-FBGA(17x17)

  • 544-1676

EP1C12F256I7N相关型号PDF文件下载

您可能感兴趣的PDF文件资料

热门IC型号推荐

扫码下载APP,
一键连接广大的电子世界。

在线人工客服

买家服务:
卖家服务:
技术客服:

0571-85317607

网站技术支持

13606545031

客服在线时间周一至周五
9:00-17:30

关注官方微信号,
第一时间获取资讯。

建议反馈
返回顶部

建议反馈

联系人:

联系方式:

按住滑块,拖拽到最右边
>>
感谢您向阿库提出的宝贵意见,您的参与是维库提升服务的动力!意见一经采纳,将有感恩红包奉上哦!