EP1C12F256I7N Datasheet

  • EP1C12F256I7N

  • CYCLONE FPGA 12K, SMD, 1C12F256; Programmable Logic Type:FPG...

  • 1359.00KB

  • 104页

  • Altera   Altera

扫码查看芯片数据手册

上传产品规格书

PDF预览

Cyclone FPGA Family Data Sheet
Preliminary Information
Figure 21. Single-Port Mode
6 LAB Row
Clocks
6
data[ ]
D
Q
ENA
RAM/ROM
256
16
512
8
1,024
4
Data In
2,048
2
4,096
1
Data Out
D
Q
ENA
To MultiTrack
Interconnect
address[ ]
D
Q
ENA
Address
wren
Write Enable
outclken
inclken
inclock
D
Q
ENA
Write
Pulse
Generator
outclock
Global Clock
Network &
Phase-Locked
Loops
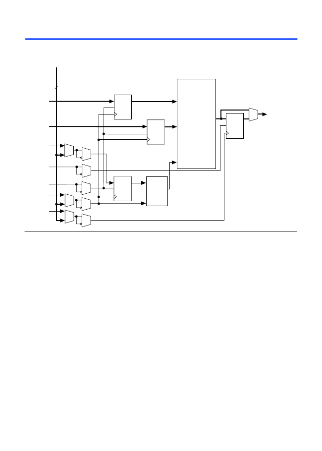
Cyclone devices provide a global clock network and up to two PLLs for a
complete clock management solution.
Global Clock Network
There are four dedicated clock pins (CLK[3..0], two pins on the left side
and two pins on the right side) that drive the global clock network, as
shown in
Figure 22.
PLL outputs, logic array, and dual-purpose clock
(DPCLK[7..0]) pins can also drive the global clock network.
The eight global clock lines in the global clock network drive throughout
the entire device. The global clock network can provide clocks for all
resources within the device铮OEs, LEs, and memory blocks. The global
clock lines can also be used for control signals, such as clock enables and
synchronous or asynchronous clears fed from the external pin, or DQS
signals for DDR SDRAM or FCRAM interfaces. Internal logic can also
drive the global clock network for internally generated global clocks and
asynchronous clears, clock enables, or other control signals with large
fanout.
Figure 22
shows the various sources that drive the global clock
network.
34
Altera Corporation

EP1C12F256I7N 产品属性

  • Three Reasons to Use FPGA's in Industrial Designs

  • 90

  • 集成电路 (IC)

  • 嵌入式 - FPGA(现场可编程门阵列)

  • Cyclone®

  • 1206

  • 12060

  • 239616

  • 185

  • -

  • 1.425 V ~ 1.575 V

  • 表面贴装

  • -40°C ~ 100°C

  • 256-BGA

  • 256-FBGA(17x17)

  • 544-1676

EP1C12F256I7N相关型号PDF文件下载

您可能感兴趣的PDF文件资料

热门IC型号推荐

扫码下载APP,
一键连接广大的电子世界。

在线人工客服

买家服务:
卖家服务:
技术客服:

0571-85317607

网站技术支持

13606545031

客服在线时间周一至周五
9:00-17:30

关注官方微信号,
第一时间获取资讯。

建议反馈
返回顶部

建议反馈

联系人:

联系方式:

按住滑块,拖拽到最右边
>>
感谢您向阿库提出的宝贵意见,您的参与是维库提升服务的动力!意见一经采纳,将有感恩红包奉上哦!