CS8404A-CS Datasheet

  • CS8404A-CS

  • Cirrus Logic [96KHZ DIGITAL AUDIO TRANSMITTER]

  • 358.44KB

  • CIRRUS

扫码查看芯片数据手册

上传产品规格书

PDF预览

CS8403A CS8404A
96 kHz Digital Audio Transmitter
Features
Description
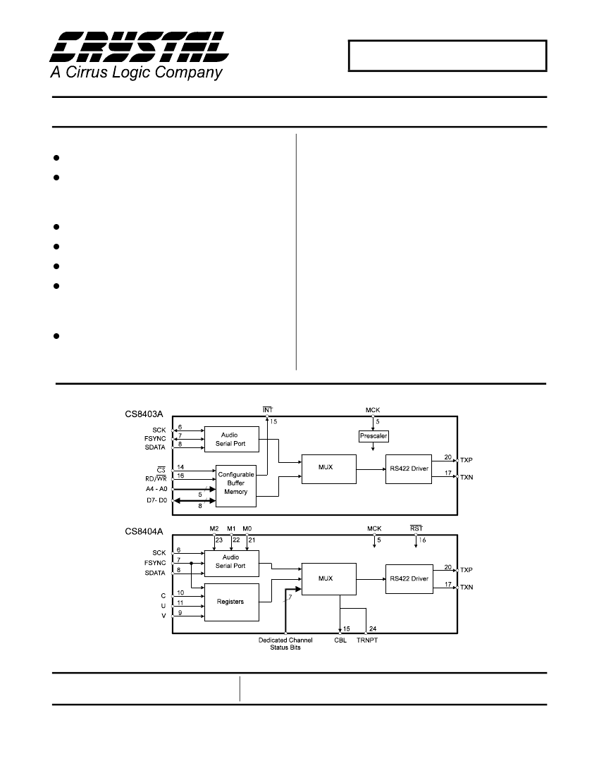
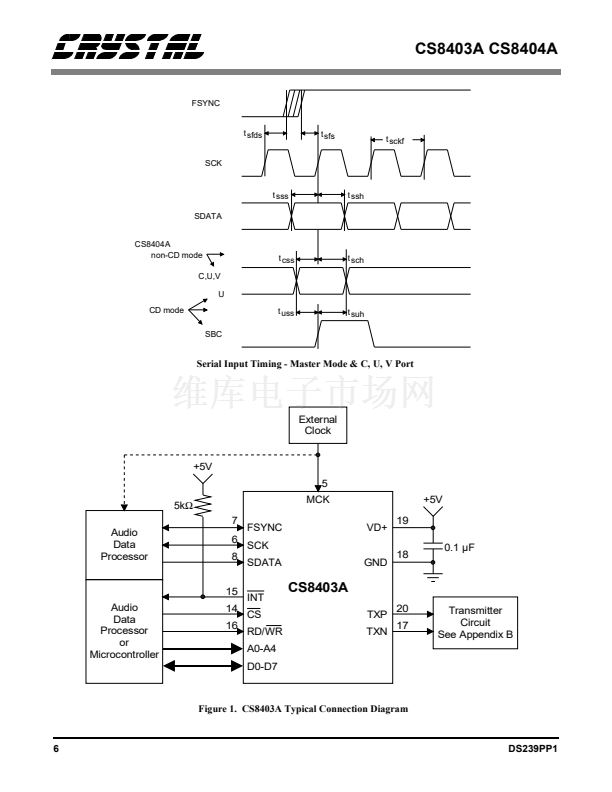
The CS8403A and CS8404A are digital audio transmit-
ters which support 96 kHz sample rate operation. The
devices encode and transmit audio data according to the
AES/EBU, IEC958, S/PDIF, & EIAJ CP-340 interface
standards. The CS8403A and CS8404A accept audio
and digital data, which is then multiplexed, encoded and
driven onto a cable. The audio serial port is double buff-
ered and capable of supporting a wide variety of formats.
The CS8403A has a configurable internal buffer memo-
ry, loaded via a parallel port, which may be used to buffer
channel status, auxiliary data, and/or user data.
The CS8404A multiplexes the channel, user, and validity
data directly from serial input pins with dedicated input
pins for the most important channel status bits.
ORDERING INFO
CS8403A-CS, 0 to 70 掳C, 24-pin Plastic SOIC
CS8404A-CS, 0 to 70 掳C, 24-pin Plastic SOIC
l
Sample rates up to 108 kHz
l
Supports: AES/EBU, IEC 958, S/PDIF,
& EIAJ CP-340 professional and
consumer formats
l
l
l
l
Generates CRC codes and parity bits
On-Chip RS422 line driver
Configurable buffer memory (CS8403A)
Transparent mode allows direct
connection of CS8404A and CS8414 or
CS8403A and CS8413
CS8402A
I
l
Pin compatible with CS8401A and
Preliminary Product Information
Crystal Semiconductor Corporation
P.O. Box 17847, Austin, Texas 78760
(512) 445 7222 FAX: (512) 445 7581
http://www.crystal.com
This document contains information for a new product. Crystal
Semiconductor reserves the right to modify this product without notice.
Copyright
Crystal Semiconductor Corporation 1997
(All Rights Reserved)
JAN 鈥?7
DS239PP1
1

CS8404A-CS相关型号PDF文件下载

您可能感兴趣的PDF文件资料

热门IC型号推荐

扫码下载APP,
一键连接广大的电子世界。

在线人工客服

买家服务:
卖家服务:
技术客服:

0571-85317607

网站技术支持

13606545031

客服在线时间周一至周五
9:00-17:30

关注官方微信号,
第一时间获取资讯。

建议反馈
返回顶部

建议反馈

联系人:

联系方式:

按住滑块,拖拽到最右边
>>
感谢您向阿库提出的宝贵意见,您的参与是维库提升服务的动力!意见一经采纳,将有感恩红包奉上哦!