LM1403 Datasheet

  • LM1403

  • National Semiconductor [Precision 2.50V Reference]

  • 133.12KB

  • NSC

扫码查看芯片数据手册

上传产品规格书

PDF预览

LM1403 LM1403A Precision 2 50V Reference
June 1988
LM1403 LM1403A
Precision 2 50V Reference
General Description
The LM1403 is a precision monolithic temperature-com-
pensated voltage reference The LM1403 makes use of
thin-film technology enhanced by the discrete laser trim-
ming of resistors to achieve excellent Temperature coeffi-
cient (Tempco) of V
OUT
(as low as 11 ppm C) along with
tight initial tolerance (as low as 0 02%) The trim scheme is
such that individual resistors are cut open rather than being
trimmed (partially cut) to avoid resistor drift caused by elec-
tromigration in the trimmed area The LM1403 also provides
excellent stability vs changes in input voltage and output
current The output is current-limited and is short circuit
proof
Features
Y
Y
Y
Y
Y
Y
Y
Y
Y
Low cost
Low 400
mA
operating current
Low output impedance (0 15X)
Excellent line regulation (0 0001% V typical)
Single-supply operation
Low temperature coefficient
Excellent initial accuracy (0 05% typical)
Excellent for low-voltage operation
(V
S
e
5V V
REF
e
2 500V)
For tighter specs refer to LM368-2 5
Connection Diagram
Dual-In-Line Package
TL H 9757 鈥?1
Top View
Order Number LM1403N or LM1403AN
See NS Package Number N08E
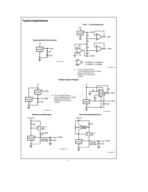
Typical Applications
Low Voltage Reference
TL H 9757 鈥?2
C
1995 National Semiconductor Corporation
TL H 9757
RRD-B30M115 Printed in U S A

LM1403相关型号PDF文件下载

您可能感兴趣的PDF文件资料

热门IC型号推荐

扫码下载APP,
一键连接广大的电子世界。

在线人工客服

买家服务:
卖家服务:
技术客服:

0571-85317607

网站技术支持

13606545031

客服在线时间周一至周五
9:00-17:30

关注官方微信号,
第一时间获取资讯。

建议反馈
返回顶部

建议反馈

联系人:

联系方式:

按住滑块,拖拽到最右边
>>
感谢您向阿库提出的宝贵意见,您的参与是维库提升服务的动力!意见一经采纳,将有感恩红包奉上哦!