LM169H Datasheet

  • LM169H

  • National Semiconductor [Precision Voltage Reference]

  • 263.92KB

  • NSC

扫码查看芯片数据手册

上传产品规格书

PDF预览

LM169 LM369 Precision Voltage Reference
December 1994
LM169 LM369 Precision Voltage Reference
General Description
The LM169 LM369 are precision monolithic temperature-
compensated voltage references They are based on a bur-
ied zener reference as pioneered in the LM199 references
but do not require any heater as they rely on special tem-
perature-compensation techniques (Patent Pending) The
LM169 makes use of thin-film technology enhanced by the
discrete laser trimming of resistors to achieve excellent
Temperature coefficient (Tempco) of V
out
(as low as 1
ppm C) along with tight initial tolerances (as low as 0 05%
max) The trim scheme is such that individual resistors are
cut open rather than being trimmed (partially cut) to avoid
resistor drift caused by electromigration in the trimmed area
The LM169 also provides excellent stability vs changes in
input voltage and output current (both sourcing and sinking)
The devices have a 10 000V output and will operate in ei-
ther series or shunt mode the output is short-circuit-proof to
ground A trim pin is available which permits fine-trimming of
V
out
and also permits filtering to greatly decrease the out-
put noise by adding a small capacitor (0 05 to 0 5
mF)
Features
Y
Y
Y
Y
Y
Y
Y
Y
Low Tempco
3 ppm C
g
5 mV
Excellent initial accuracy
Excellent line regulation
4 ppm V
g
0 8X
Excellent output impedance
Excellent thermal regulation
g
20 ppm 100 mW
Low noise
Easy to filter output noise
Operates in series or shunt mode
(max)
(max)
(max)
(max)
(max)
Applications
Y
Y
Y
Y
Y
High-Resolution Data Acquisition Systems
Digital volt meters
Weighing systems
Precision current sources
Test Equipment
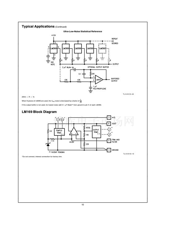
Connection Diagrams
Metal Can Package (H)
Dual-In-Line Package (N)
or S O Package (M)
TL H 9110 鈥?5
Top View
Order Number LM369DM LM369DMX
LM369N
LM369BN LM369CN or LM369DN
See NS Package Number M08A or N08E
X denotes 2500 units on Tape and Reel and is not included in the device
part number marking
TL H 9110 鈥?1
Top View
(Case is connected to ground )
Do not connect internal connection for factory trims
TO-226 Plastic Package (RC)
Order Number LM169H LM169BH
LM169H 883 LM369H or LM369BH
See NS Package Number H08C
TL H 9110 鈥?28
Bottom View
Order Number LM369DRC
See NS Package Number RC03A
Teflon and Mylar are registered trademarks of E I DuPont Corp
C
1995 National Semiconductor Corporation
TL H 9110
RRD-B30M115 Printed in U S A

LM169H PDF文件相关型号

LM369H

LM169H相关型号PDF文件下载

您可能感兴趣的PDF文件资料

热门IC型号推荐

扫码下载APP,
一键连接广大的电子世界。

在线人工客服

买家服务:
卖家服务:
技术客服:

0571-85317607

网站技术支持

13606545031

客服在线时间周一至周五
9:00-17:30

关注官方微信号,
第一时间获取资讯。

建议反馈
返回顶部

建议反馈

联系人:

联系方式:

按住滑块,拖拽到最右边
>>
感谢您向阿库提出的宝贵意见,您的参与是维库提升服务的动力!意见一经采纳,将有感恩红包奉上哦!