LM20145MH Datasheet

  • LM20145MH

  • National Semiconductor [5A, PowerWise㈢ Adjustable Frequenc...

  • 692.53KB

  • NSC

扫码查看芯片数据手册

上传产品规格书

PDF预览

LM20145 5A, PowerWise
Adjustable Frequency Synchronous Buck Regulator
January 16, 2008
LM20145
5A, PowerWise
Adjustable Frequency Synchronous Buck
Regulator
General Description
The LM20145 is a full featured adjustable frequency syn-
chronous buck regulator capable of delivering up to 5A of
continuous output current. The current mode control loop can
be compensated to be stable with virtually any type of output
capacitor. For most cases, compensating the device only re-
quires two external components, providing maximum flexibil-
ity and ease of use. The device is optimized to work over the
input voltage range of 2.95V to 5.5V making it suited for a wide
variety of low voltage systems.
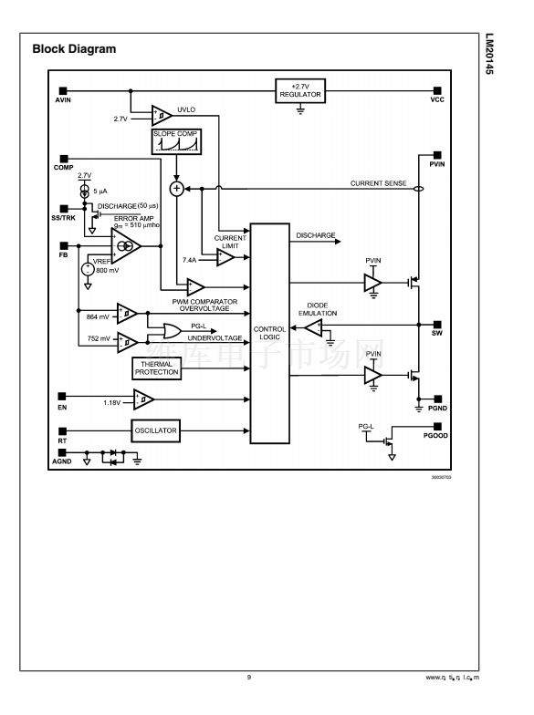
The device features internal over voltage protection (OVP)
and over current protection (OCP) circuits for increased sys-
tem reliability. A precision enable pin and integrated UVLO
allows the turn-on of the device to be tightly controlled and
sequenced. Start-up inrush currents are limited by both an
internally fixed and externally adjustable Soft-Start circuit.
Fault detection and supply sequencing is possible with the
integrated power good circuit.
The LM20145 is designed to work well in multi-rail power
supply architectures. The output voltage of the device can be
configured to track a higher voltage rail using the SS/TRK pin.
If the output of the LM20145 is pre-biased at startup it will not
sink current to pull the output low until the internal soft-start
ramp exceeds the voltage at the feedback pin.
The frequency of this device can be adjusted from 250 kHz to
750 kHz by connecting an external resistor from the RT pin to
ground.
The LM20145 is offered in a 16-pin eTSSOP package with an
exposed pad that can be soldered to the PCB, eliminating the
need for bulky heatsinks.
Features
鈻?/div>
鈻?/div>
鈻?/div>
鈻?/div>
鈻?/div>
鈻?/div>
鈻?/div>
鈻?/div>
鈻?/div>
鈻?/div>
鈻?/div>
鈻?/div>
Input voltage range 2.95V to 5.5V
Accurate current limit minimizes inductor size
97% peak efficiency
Adjustable switching frequency (250 kHz to 750 kHz)
32 m鈩?integrated FET switches
Starts up into pre-biased loads
Output voltage tracking
Peak current mode control
Adjustable output voltage down to 0.8V
Adjustable Soft-Start with external capacitor
Precision enable pin with hysteresis
Integrated OVP, UVLO, power good and thermal
shutdown
鈻?/div>
eTSSOP-16 exposed pad package
Applications
鈻?/div>
Simple to design, high efficiency point of load regulation
from a 5V or 3.3V bus
鈻?/div>
High Performance DSPs, FPGAs, ASICs and
microprocessors
鈻?/div>
Broadband, Networking and Optical Communications
Infrastructure
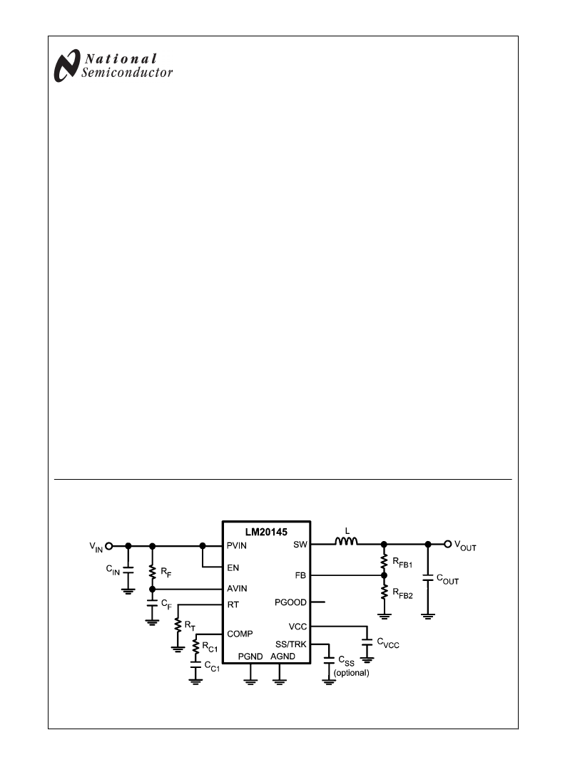
Typical Application Circuit
30030701
PowerWise
is a registered trademark of National Semiconductor Corporation.
漏 2008 National Semiconductor Corporation
300307
www.national.com

LM20145MH相关型号PDF文件下载

  • 型号
    版本
    描述
    厂商
    下载
  • 英文版
    LM20 2.4V, 10レA, SC70, micro SMD Temperature Sensor
    NSC
  • 英文版
    LM20 2.4V, 10レA, SC70, micro SMD Temperature Sensor
    NSC [Natio...
  • 英文版
    Seoul Semiconductor [INFRARED LAMP LED]
    SEOUL
  • 英文版
    Negative Regulator
    NSC
  • 英文版
    Negative Regulator
    NSC [Natio...
  • 英文版
    National Semiconductor [Voltage Regulators]
    NSC
  • 英文版
    HIGH-PERFORMANCE OPERATIONAL AMPLIFIERS
    TI
  • 英文版
    Operational Amplifiers
    NSC
  • 英文版
    Operational Amplifiers
    NSC [Natio...
  • 英文版
    HIGH-PERFORMANCE OPERATIONAL AMPLIFIERS
    TI [Texas ...
  • 英文版
    Operational Amplifiers
    NSC
  • 英文版
    Operational Amplifiers
    NSC [Natio...
  • 英文版
    8 Watt Audio Power Amplifier
    NSC
  • 英文版
    8 Watt Audio Power Amplifier
    NSC [Natio...
  • 英文版
    LM2005 20 Watt Automotive Power Amplifier
    NSC
  • 英文版
    LM2005 20 Watt Automotive Power Amplifier
    NSC [Natio...
  • 英文版
    Seoul Semiconductor [GREEN OVAL LAMP LED]
    SEOUL
  • 英文版
    Amplifiers and Comparators
    MOTOROLA
  • 英文版
    SINGLE OPERATIONAL AMPLIFIER
    STMICROELECTRONICS
  • 英文版
    HIGH-PERFORMANCE OPERATIONAL AMPLIFIERS
    TI

扫码下载APP,
一键连接广大的电子世界。

在线人工客服

买家服务:
卖家服务:
技术客服:

0571-85317607

网站技术支持

13606545031

客服在线时间周一至周五
9:00-17:30

关注官方微信号,
第一时间获取资讯。

建议反馈

联系人:

联系方式:

按住滑块,拖拽到最右边
>>
感谢您向阿库提出的宝贵意见,您的参与是维库提升服务的动力!意见一经采纳,将有感恩红包奉上哦!