LM3100MH Datasheet

  • LM3100MH

  • National Semiconductor [SIMPLE SWITCHER㈢ Synchronous 1MHz ...

  • 3481.22KB

  • NSC

扫码查看芯片数据手册

上传产品规格书

PDF预览

LM3100 SIMPLE SWITCHER
Synchronous 1MHz 1.5A Step-Down Voltage Regulator
February 2006
LM3100
SIMPLE SWITCHER
Synchronous 1MHz 1.5A
Step-Down Voltage Regulator
General Description
The LM3100 Synchronously Rectified Buck Converter fea-
tures all functions needed to implement a highly efficient,
cost effective buck regulator capable of supplying 1.5A to
loads with voltages as low as 0.8V. Dual 40V N-Channel
synchronous MOSFET switches allow for low external com-
ponent thus reducing complexity and minimizing board
space. The LM3100 is designed to work exceptionally well
with ceramic and other very low ESR output capacitors. The
Constant ON-Time (COT) regulation scheme requires no
loop compensation, results in fast load transient response,
and simplifies circuit implementation. Through the use of a
unique design the regulator does not rely on output capacitor
ESR for stability, as do most other COT regulators. The
operating frequency remains nearly constant with line and
load variations due to the inverse relationship between the
input voltage and the on-time. The oprating frequency can
be externally programmed up to 1MHz. Protection features
include V
CC
under-voltage lockout, thermal shutdown and
gate drive under-voltage lockout. The part is available in a
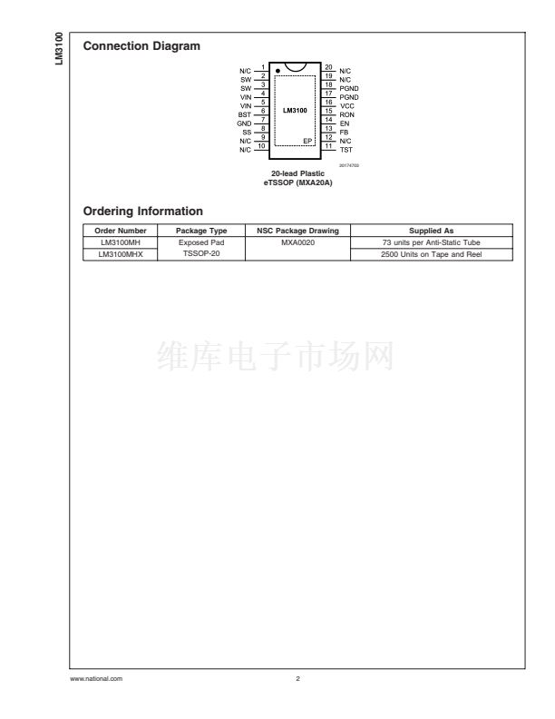
thermally enhanced eTSSOP-20 package
Features
n
n
n
n
n
n
n
n
n
n
n
n
n
n
Input voltage range 4.5V - 36V
1.5A output current
0.8V,
1.5% reference
Integrated 40V, dual N-Channel buck synchronous
switches
Low component count and small solution size
No loop compensation required
Ultra-fast transient response
Stable with ceramic and other low ESR capacitors
Programmable switching frequency up to 1MHz
Max. duty cycle limited during start-up
Valley current limit
Precision Internal Reference for adjustable output
voltage down to 0.8V
Thermal shutdown
Thermally enhanced eTSSOP-20 package
Typical Applications
n
n
n
n
n
n
n
n
5VDC, 12VDC, 24VDC, 12VAC, and 24VAC systems
Embedded Systems
Industrial Controls
Automotive Telematics and Body Electronics
Point of Load Regulators
Storage Systems
Broadband Infrastructure
Direct Conversion from 2/3/4 Cell Lithium Batteries
Systems
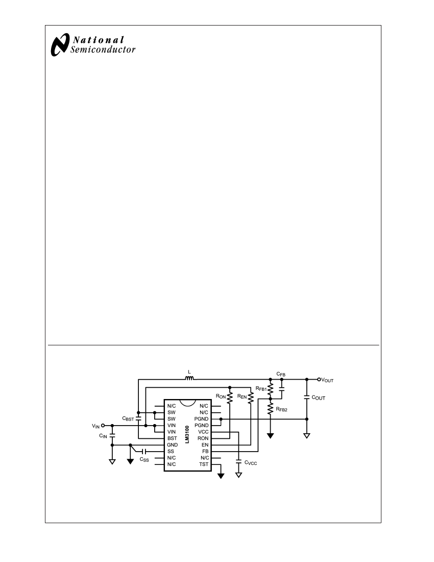
Typical Application
20174702
SIMPLE SWITCHER
is a registered trademark of National Semiconductor Corporation
漏 2006 National Semiconductor Corporation
DS201747
www.national.com

LM3100MH 产品属性

  • National Semiconductor (TI)

  • 0.8 V to 7 V

  • 1.5 A

  • 1000 KHz

  • SMD/SMT

  • TSSOP EP

  • Tube

  • 1

  • 73

LM3100MH相关型号PDF文件下载

您可能感兴趣的PDF文件资料

热门IC型号推荐

扫码下载APP,
一键连接广大的电子世界。

在线人工客服

买家服务:
卖家服务:
技术客服:

0571-85317607

网站技术支持

13606545031

客服在线时间周一至周五
9:00-17:30

关注官方微信号,
第一时间获取资讯。

建议反馈
返回顶部

建议反馈

联系人:

联系方式:

按住滑块,拖拽到最右边
>>
感谢您向阿库提出的宝贵意见,您的参与是维库提升服务的动力!意见一经采纳,将有感恩红包奉上哦!