LMV7235_08 Datasheet

  • LMV7235_08

  • National Semiconductor [45 nsec, Ultra Low Power, Low Volta...

  • 852.86KB

  • NSC

扫码查看芯片数据手册

上传产品规格书

PDF预览

LMV7235/LMV7239 45 nsec, Ultra Low Power, Low Voltage, Rail-to-Rail Input Comparator with
Open-Drain/Push-Pull Output
July 2, 2008
LMV7235/LMV7239
45 nsec, Ultra Low Power, Low Voltage, Rail-to-Rail Input
Comparator with Open-Drain/Push-Pull Output
General Description
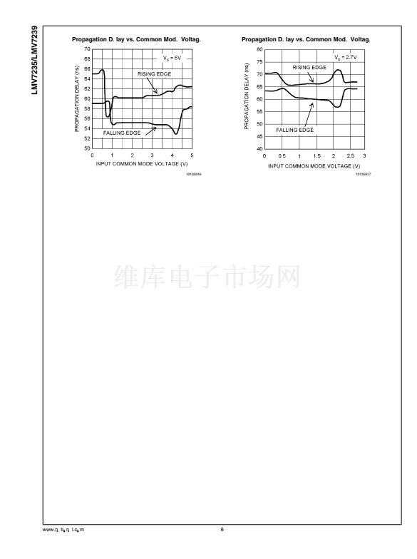
The LMV7235/LMV7239 are ultra low power, low voltage, 45
nsec comparators. They are guaranteed to operate over the
full supply voltage range of 2.7V to 5.5V. These devices
achieve a 45 nsec propagation delay while consuming only
65碌A of supply current at 5V.
The LMV7235/LMV7239 have a greater than rail-to-rail com-
mon mode voltage range. The input common mode voltage
range extends 200mV below ground and 200mV above sup-
ply, allowing both ground and supply sensing.
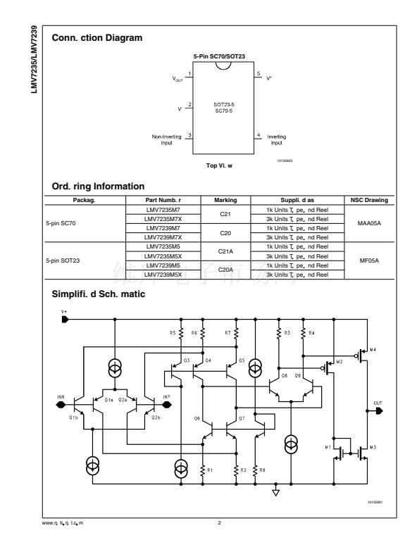
The LMV7235 features an open drain output. By connecting
an external resistor, the output of the comparator can be used
as a level shifter.
The LMV7239 features a push-pull output stage. This feature
allows operation without the need of an external pull-up re-
sistor.
The LMV7235/LMV7239 are available in the 5-Pin SC70 and
5-Pin SOT23 packages, which are ideal for systems where
small size and low power is critical.
Features
(V
S
= 5V, T
A
= 25掳C, Typical values unless otherwise speci-
fied)
45 nsec
鈻?/div>
Propagation delay
65碌A
鈻?/div>
Low supply current
鈻?/div>
Rail-to-Rail input
鈻?/div>
Open drain and push-pull output
鈻?/div>
Ideal for 2.7V and 5V single supply applications
鈻?/div>
Available in space saving packages
鈥?/div>
5-pin SOT23
鈥?/div>
5-pin SC70
Applications
鈻?/div>
鈻?/div>
鈻?/div>
鈻?/div>
鈻?/div>
鈻?/div>
鈻?/div>
Portable and battery powered systems
Scanners
Set top boxes
High speed differential line receiver
Window comparators
Zero-crossing detectors
High speed sampling circuits
Typical Application
10135902
Crystal Oscillator
漏 2008 National Semiconductor Corporation
101359
www.national.com

LMV7235_08相关型号PDF文件下载

  • 型号
    版本
    描述
    厂商
    下载
  • 英文版
    Low Power, RRIO Operational Amplifiers with High Output Curr...
    NSC
  • 英文版
    SINGLE LOW-POWER RRIO OPERATIONAL AMPLIFIERS WITH HIGH OUTPU...
    TI
  • 英文版
    Low Power, RRIO Operational Amplifiers with High Output Curr...
    NSC [Natio...
  • 英文版
    Low Power, RRIO Operational Amplifiers with High Output Curr...
    NSC
  • 英文版
    SINGLE LOW-POWER RRIO OPERATIONAL AMPLIFIERS WITH HIGH OUTPU...
    TI
  • 英文版
    Low Power, RRIO Operational Amplifiers with High Output Curr...
    NSC [Natio...
  • 英文版
    Low Power, Low Noise, High Output, RRIO Dual Operational Amp...
    NSC
  • 英文版
    Low Power, Low Noise, High Output, RRIO Dual Operational Amp...
    NSC [Natio...
  • 英文版
    Low Power, RRIO Operational Amplifiers with High Output Curr...
    NSC
  • 英文版
    SINGLE LOW-POWER RRIO OPERATIONAL AMPLIFIERS WITH HIGH OUTPU...
    TI
  • 英文版
    Low Power, RRIO Operational Amplifiers with High Output Curr...
    NSC [Natio...
  • 英文版
    5 MHz, Low Noise, RRO, Dual Operational Amplifier with CMOS ...
    NSC
  • 英文版
    5 MHz, Low Noise Dual Operational Amplifiers, with CMOS Inpu...
    NATIONAL SEMICONDUCTOR
  • 英文版
    10MHz, Low Noise, Low Voltage, and Low Power Operational Amp...
    NSC
  • 英文版
    10-MHz LOW-NOISE LOW-VOLTAGE LOW-POWER OPERATIONAL AMPLIFIER...
    TI
  • 英文版
    10MHz, Low Noise, Low Voltage, and Low Power Operational Amp...
    NSC [Natio...
  • 英文版
    10MHz, Low Noise, Low Voltage, and Low Power Operational Amp...
    NSC
  • 英文版
    10-MHz LOW-NOISE LOW-VOLTAGE LOW-POWER OPERATIONAL AMPLIFIER...
    TI
  • 英文版
    10MHz, Low Noise, Low Voltage, and Low Power Operational Amp...
    NSC [Natio...
  • 英文版
    Low Noise, Low Vos, Single Op Amp
    NSC

扫码下载APP,
一键连接广大的电子世界。

在线人工客服

买家服务:
卖家服务:
技术客服:

0571-85317607

网站技术支持

13606545031

客服在线时间周一至周五
9:00-17:30

关注官方微信号,
第一时间获取资讯。

建议反馈

联系人:

联系方式:

按住滑块,拖拽到最右边
>>
感谢您向阿库提出的宝贵意见,您的参与是维库提升服务的动力!意见一经采纳,将有感恩红包奉上哦!