ML4900 Datasheet

  • ML4900

  • Micro Linear Corporation [High Current Synchronous Buck Con...

  • 234.42KB

  • MICRO-LINEAR

扫码查看芯片数据手册

上传产品规格书

PDF预览

July 2000
ML4900*
High Current Synchronous Buck Controller
GENERAL DESCRIPTION
The ML4900 high current synchronous buck controller has
been designed to provide high efficiency DC/DC
conversion for next generation processors such as the
Pentium
Pro from Intel
.
The ML4900 controller, when combined with two
N-channel MOSFETs, generates output voltages between
2.1V and 3.5V from a 5V supply. The output voltage is
selected via an internal 4-bit DAC. Output currents in
excess of 14A can be attained at efficiencies greater than
90%.
The ML4900 can be enabled/disabled via the
SHDN
pin.
While disabled, the output of the regulator is completely
isolated from the circuit鈥檚 input supply. The ML4900
employs fixed-frequency PWM control combined with a
dual mode control loop to provide excellent load transient
response.
FEATURES
s
Designed to meet Pentium
Pro power supply
requirements
DC regulation to +1% maximum
Proprietary circuitry provides transient response of +5%
maximum over 300mA to 14A load range
Programmable output voltage (2.1V to 3.5V) is set by
an onboard 4-bit DAC
Synchronous N-channel buck topology for maximum
power conversion efficiency
Fixed frequency operation for easier system integration
Integrated antishoot-through logic, short circuit
protection, and UV lockout
Shutdown control provides load isolation
s
s
s
s
s
s
s
(* Indicates Part is End of Life as of July 1, 2000)
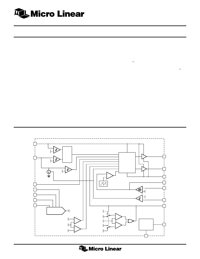
BLOCK DIAGRAM
(Pin Configuration Shown for 16-Pin SOIC Version)
15
VDD
+
10.5V
PROTECT
16
鈥?/div>
UVLO
+
鈥?/div>
N DRV H
14
4.4V
CONTROL
LOGIC
+
N DRV L
13
35碌A
4V
鈥?/div>
+
鈥?/div>
PWR GND
12
5
1
SHDN
D0
D1
COMP
200kHz
+
鈥?/div>
11
VFB
VDAC
-73mV
ISENSE
9
2
D2
3
+
鈥?/div>
10
D3
4
PWR GOOD
6
4 BIT DAC
VDAC
+
鈥?/div>
VDAC + 10%
VDAC + 3%
VFB
VDAC - 10%
VDAC - 3%
8
+
鈥?/div>
VDAC + 3%
VFB
VDAC - 3%
+
鈥?/div>
+
鈥?/div>
3.5V
REFERENCE
GND
VREF
7
1

ML4900相关型号PDF文件下载

  • 型号
    版本
    描述
    厂商
    下载
  • 英文版
    Micro Linear Corporation [High Current Synchronous Buck Con...
    MICRO-LINEAR
  • 英文版
    Micro Linear Corporation [High Current Synchronous Buck Con...
    MICRO-LINEAR
  • 英文版
    Micro Linear Corporation [High Current Synchronous Buck Con...
    MICRO-LINEAR
  • 英文版
    Micro Linear Corporation [High Current Synchronous Buck Con...
    MICRO-LINEAR
  • 英文版
    Micro Linear Corporation [Adjustable Output, Low Current Si...
    MICRO-LINEAR
  • 英文版
    Micro Linear Corporation [Adjustable Output Low Voltage Boo...
    MICRO-LINEAR
  • 英文版
    High Current Synchronous Buck Controller
    MICRO-LINEAR
  • 英文版
    High Current Synchronous Buck Controller
    MICRO-LINEAR
  • 英文版
    High Current Synchronous Buck Controller
    MICRO-LINEAR
  • 英文版
    High Current Synchronous Buck Controller
    MICRO-LINEAR
  • 英文版
    High Current Synchronous Buck Controller
    MICRO-LINEAR
  • 英文版
    High Current Synchronous Buck Controller
    MICRO-LINEAR
  • 英文版
    Adjustable Output, Low Current Single Cell Boost Regulator w...
    MICRO-LINEAR
  • 英文版
    Adjustable Output, Low Current Single Cell Boost Regulator w...
    MICRO-LINEAR
  • 英文版
    Adjustable Output Low Voltage Boost Regulator with Detect
    MICRO-LINEAR
  • 英文版
    Adjustable Output Low Voltage Boost Regulator with Detect
    MICRO-LINEAR&nb...
  • 英文版
    Adjustable Output Low Voltage Boost Regulator with Detect
    MICRO-LINEAR
  • 英文版
    Adjustable Output Low Voltage Boost Regulator with Detect
    MICRO-LINEAR&nb...
  • 英文版
    Adjustable Output Low Voltage Boost Regulator with Detect
    MICRO-LINEAR
  • 英文版
    Adjustable Output Low Voltage Boost Regulator with Detect
    MICRO-LINEAR&nb...

扫码下载APP,
一键连接广大的电子世界。

在线人工客服

买家服务:
卖家服务:
技术客服:

0571-85317607

网站技术支持

13606545031

客服在线时间周一至周五
9:00-17:30

关注官方微信号,
第一时间获取资讯。

建议反馈

联系人:

联系方式:

按住滑块,拖拽到最右边
>>
感谢您向阿库提出的宝贵意见,您的参与是维库提升服务的动力!意见一经采纳,将有感恩红包奉上哦!