RF2126PCK Datasheet

  • RF2126PCK

  • KIT EVAL FOR RF2126

  • 184.20KB

  • 10页

  • RFMD

扫码查看芯片数据手册

上传产品规格书

PDF预览

RF2126High
Power Linear
Amplifier
RF2126
HIGH POWER LINEAR AMPLIFIER
RoHS Compliant & Pb-Free Product
Package Style: SOIC-8 Slug
2
POWER AMPLIFIERS
Features
Single 3V to 6.0V Supply
1.3W Output Power
12dB Gain
45% Efficiency
Power Down Mode
400MHz to 2700MHz Opera-
tion
RF IN
1
RF IN
2
PC
3
VCC
4
PACKAGE BASE
GND
8
RF OUT
7
RF OUT
6
RF OUT
5
RF OUT
BIAS
CIRCUIT
Applications
2.5GHz ISM Band Applica-
tions
Digital Communication Sys-
tems
PCS Communication Systems
Commercial and Consumer
Systems
Portable Battery-Powered
Equipment
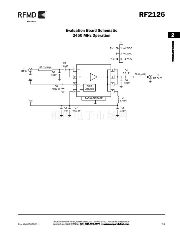
Functional Block Diagram
Product Description
The RF2126 is a high-power, high-efficiency, linear amplifier IC. The device
is manufactured on an advanced Gallium Arsenide Heterojunction Bipolar
Transistor (HBT) process and has been designed for use as the final RF
amplifier in 2.45 GHz ISM applications such as WLAN and POS terminals.
The part will also function as the final stage in transmitters requiring lin-
ear amplification operating between 400MHz and 2700MHz. The device
is packaged in an 8-lead plastic package with a backside ground. The
device is self-contained with the exception of the output matching network
and power supply feed line. It produces a typical output power level of 1W.
Ordering Information
RF2126
RF2126PCK
High Power Linear Amplifier
Fully Assembled Evaluation Board
Optimum Technology Matching庐 Applied
GaAs HBT
GaAs MESFET
InGaP HBT
SiGe BiCMOS
Si BiCMOS
SiGe HBT
GaAs pHEMT
Si CMOS
Si BJT
GaN HEMT
RF MICRO DEVICES庐, RFMD庐, Optimum Technology Matching庐, Enabling Wireless Connectivity鈩? PowerStar庐, POLARIS鈩?TOTAL RADIO鈩?and UltimateBlue鈩?are trademarks of RFMD, LLC. BLUETOOTH is a trade-
mark owned by Bluetooth SIG, Inc., U.S.A. and licensed for use by RFMD. All other trade names, trademarks and registered trademarks are the property of their respective owners. 漏2006, RF Micro Devices, Inc.
Rev A14 DS070511
7628 Thorndike Road, Greensboro, NC 27409-9421 路 For sales or technical
support, contact RFMD at (+1) 336-678-5570 or sales-support@rfmd.com.
2-3

RF2126PCK相关型号PDF文件下载

您可能感兴趣的PDF文件资料

热门IC型号推荐

扫码下载APP,
一键连接广大的电子世界。

在线人工客服

买家服务:
卖家服务:
技术客服:

0571-85317607

网站技术支持

13606545031

客服在线时间周一至周五
9:00-17:30

关注官方微信号,
第一时间获取资讯。

建议反馈
返回顶部

建议反馈

联系人:

联系方式:

按住滑块,拖拽到最右边
>>
感谢您向阿库提出的宝贵意见,您的参与是维库提升服务的动力!意见一经采纳,将有感恩红包奉上哦!