怎么使得电源开关并联还能均流

出处:维库电子市场网 发布于:2020-03-04 14:39:19

开关电源是利用现代电力电子技术,控制开关管开通和关断的时间比率,维持稳定输出电压的一种电源,开关电源一般由脉冲宽度调制(PWM)控制IC和MOSFET构成。随着电力电子技术的发展和创新,使得开关电源技术也在不断地创新。目前,开关电源以小型、轻量和高效率的特点被广泛应用几乎所有的电子设备,是当今电子信息产业飞速发展不可缺少的一种电源方式。
  主要用途
  开关电源产品广泛应用于工业自动化控制、设备、科研设备、LED照明、工控设备、通讯设备、电力设备、仪器仪表、医疗设备、半导体制冷制热、空气净化器,电子冰箱,液晶显示器,LED灯具,通讯设备,视听产品,安防监控,LED灯袋,电脑机箱,数码产品和仪器类等领域。
  开关电源并联均流技术
  在实际应用中,往往由于一台直流稳定电源的输出参数(如电压、电流、功率)不能满足要求,而满足这种参数要求的直流稳定电源,存在重新开发、设计、生产的过程,势必加大电源的成本、延长交货时间、影响工程进度。因此在实用中往往采用模块化的构造方法,采用一定规格系列的模块式电源,按照一定的串联或并联方式,分别达到输出电压、输出电流、输出功率扩展的目的。
  但是电源输出参数的扩展,仅仅通过简单的串、并联方式还不能完全保证整个扩展后的电源系统稳定可靠的工作。不论电源模块是扩压还是扩流,均存在一个“均压”、“均流”的问题,而解决方法的不同,对整个电源扩展系统的稳定性、可靠性都有很大的影响。由于目前稳定电源输出扩流应用较多,本文仅讨论开关电源并联均流技术。均流的主要任务是:
  (1)当负载变化时,每台电源的输出电压变化相同。
  (2)使每台电源的输出电流按功率份额均摊。
  2提高系统可靠性方法
  (1)在电源并联扩流过程中,为了提高系统工作稳定性,可采用N+m冗余的方法。其中m表示冗余份数,m值越大,系统工作可靠性越高,但是系统成本也相应增加。
  (2)采用均流技术保证系统正常工作。在电源并联扩流中,应用较为广泛的办法是自动均流技术。它通过取样、电子控制调节环路来保证整个系统的输出电流按每个单元的输出能力均摊,以达到既充分发挥每个单元的输出能力,又保证每个单元可靠工作的目的。
  (3)均流技术应满足条件:
  ·所有电源模块单元应采用公共总线。
  ·整个系统应有良好的均流瞬态响应特性。
  ·整个并联输出扩流系统有一个公共控制电路。
  (4)常用的几种并联均流技术:
  ·改变单元输出内阻法(斜率控制法)
  ·主/从控制法(master/slave)
  ·外部控制电路法
  ·平均电流型自动负载均流法
  ·电流自动均流法(自动主/从法、民主均流法)·强迫均流法
  3关于均流技术中常用的一些概念
  3.1稳压源(CV)
  电路框图和特性曲线分别如图1(a)、(b)所示,输出电压UO=RFUREF/R1
  (a)
 

  (b)
 

  3.2稳流源(CC)
  电路框图和特性曲线分别如图2(a)、(b)所示,输出电流IO=RFUREF/(RSR1)
  

  (a)
  

  (b)
  图2
  3.3CV/CC(恒压/恒流交叠)
  特性曲线如图3所示
  

  图3
  4常用几种均流技术的工作原理
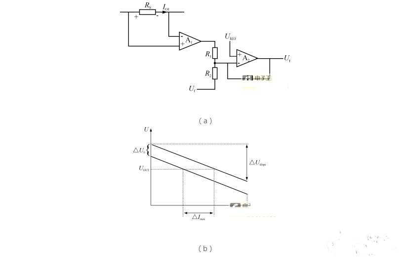
  4.1改变单元输出内阻法(斜率控制法、电压下垂式、输出特性斜率控制式)实现方式:
  ·UO固定,改变斜率
  ·斜率固定,改变输出电压
  开关电源并联均流技术
  (1)工作原理和特性曲线
 

  (b)
  图4
  见图4(a)、(b),图中△Imax=△UOImax/△Uslope,内阻RO=△UO/△IO当单元输出电流IO1增加时,IO1在电流检测电阻RS上的压降增加,致使A1输出电压增加,与单元电压反馈信号Uf叠加后送至A2反相输入端,经A2放大后输出Ur变负,利用这个Ur电压控制单元输出电流,从而实现均流。
  由图4(b)可以看出:当典型值△UO=±0.1%,△Uslope=±2%,则△Imax=0.05Imax,即调整为5%。这种调节对大多数调节系统来说是能接受的。
  (2)改变单元输出内阻法(斜率法)特点
  ·小电流时均流效果较差,这点可从公式
  △Imax=0.05Imax看出。
  ·大电流时均流效果较好。
  ·对电压源来说,内阻RO(斜率)应越小越好,但是这种均流方法利用改变RO来实现均流,降低了电源输出的负载特性,即以牺牲电路的技术指标来实现均流。
  ·随着微处理器技术的发展,这种方法很容易实现程控,从而实现比较理想的均流控制特性。
  4.2主/从控制法(Master/Slave)
  (1)工作框图
  见图5,在这种工作方式下用n个单元,其中一个单元(主控单元)工作在电压源(CV)方式,其余n-1个单元工作于电流源(CC)方式,利用来自输出电流的误差电压△U来实现均流控制。它实际上是由电压环(外环)和电流环(内环)构成电流控制型的双环控制,或说成是电压控制的电流源。
  (2)主要特点
  ·一旦主控单元出现故障则整个系统崩溃。
  开关电源并联均流技术
关键词:电源开关

版权与免责声明

凡本网注明“出处:维库电子市场网”的所有作品,版权均属于维库电子市场网,转载请必须注明维库电子市场网,https://www.dzsc.com,违反者本网将追究相关法律责任。

本网转载并注明自其它出处的作品,目的在于传递更多信息,并不代表本网赞同其观点或证实其内容的真实性,不承担此类作品侵权行为的直接责任及连带责任。其他媒体、网站或个人从本网转载时,必须保留本网注明的作品出处,并自负版权等法律责任。

如涉及作品内容、版权等问题,请在作品发表之日起一周内与本网联系,否则视为放弃相关权利。

便携式光纤激光打标机打标电源开关外壳
广告
OEM清单文件: OEM清单文件
*公司名:
*联系人:
*手机号码:
QQ:
有效期:

扫码下载APP,
一键连接广大的电子世界。

在线人工客服

买家服务:
卖家服务:
技术客服:

0571-85317607

网站技术支持

13606545031

客服在线时间周一至周五
9:00-17:30

关注官方微信号,
第一时间获取资讯。

建议反馈

联系人:

联系方式:

按住滑块,拖拽到最右边
>>
感谢您向阿库提出的宝贵意见,您的参与是维库提升服务的动力!意见一经采纳,将有感恩红包奉上哦!