利用 PicoScope 示波器测量电源上电时序
出处:网络整理 发布于:2025-07-16 16:19:33
一、关于电源上电时序
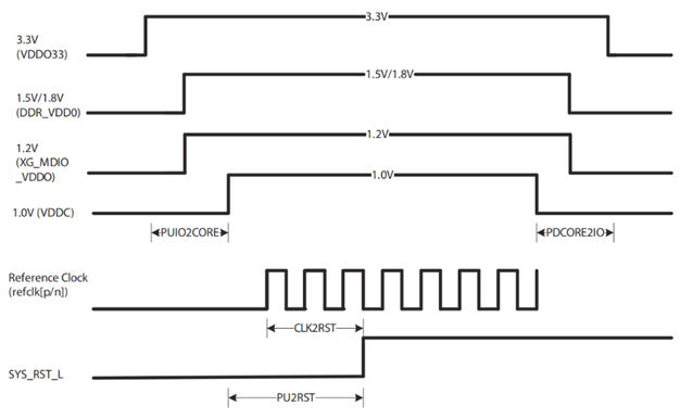
在实际应用中,高性能处理器芯片各模块的电源上电顺序从先到后一般为内核电源、内存模块电源、辅助部件电源和 I/O 电源。图 2 展示了某高性能处理器的电源时序图,图 3 则给出了每个电源的上电时序规格要求。
除了严格的电源上电时序外,高性能处理器还需要稳定的电源电压供给。图 4 显示了某高性能处理器各模块的电源供给电压规格,内核电源电压的波动要求为 +/- 2% 或 +/- 20mV。
二、使用 PicoScope 测量电源上电时序
除了 PicoScope 7 软件外,许多用户选择使用 PicoScope 和 PicoSDK(Pico 软件开发套件)开发自己的测试平台。他们将 PicoScope 集成到 ATE(自动测试设备)中,用于测试验证电源时序和电源纹波。8 通道高性价比 PicoScope 受此类应用的欢迎。图 6 展示了使用定制 ATE 测试的电源波形,该 ATE 集成了 Pico 的 8 通道示波器 PicoScope 4824A,用于电源的时序以及其它性能参数的测试,该 ATE 基于 LabView 实现对 PicoScope 的自动化控制和数据采集以及开发自己的应用软件。
三、为什么选择 PicoScopes?
用户喜欢将 PicoScope 示波器集成到他们的局部放电测试系统中,是因为 PicoScope 示波器拥有以下独特优势和强大功能:
版权与免责声明
凡本网注明“出处:维库电子市场网”的所有作品,版权均属于维库电子市场网,转载请必须注明维库电子市场网,https://www.dzsc.com,违反者本网将追究相关法律责任。
本网转载并注明自其它出处的作品,目的在于传递更多信息,并不代表本网赞同其观点或证实其内容的真实性,不承担此类作品侵权行为的直接责任及连带责任。其他媒体、网站或个人从本网转载时,必须保留本网注明的作品出处,并自负版权等法律责任。
如涉及作品内容、版权等问题,请在作品发表之日起一周内与本网联系,否则视为放弃相关权利。
- 解决锂电池电压检测不准难题:3 大硬件设计要点揭秘2026/4/29 15:15:35
- 频谱仪测试噪声系数 NF 的方法全解析2026/4/29 14:54:50
- 专为 BMS 测试打造:绝缘电阻模拟器产品揭秘2026/4/29 14:27:07
- 四探针测试电阻率:原理、优势与注意事项2026/4/27 15:35:52
- 开尔文连接:高精度测量领域的误差克星2026/4/27 14:25:46
















