在当今的电子设备应用中,BMS(电池管理系统)发挥着至关重要的作用。然而,BMS 系统的工作电压普遍高于人体所能承受的安全电压。一旦其绝缘性能出现下降,漏电流就会显著增大,这无疑会对人身安全构成严重威胁。本文将详细介绍如何利用纳芯微固态继电器 NSI7258 构建高性能的绝缘监测电路,实现高精度和高可靠性的绝缘监测。
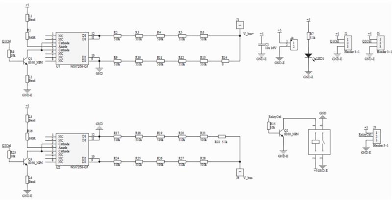
- 绝缘监测实现原理:依据 GB 18384《电动汽车安全要求》,在工作电压下,绝缘电阻必须大于 500Ω/V。对于母线电压为 VBUS 的系统,绝缘电阻需满足大于 500?VBUS 的条件,以此保障人身安全。当绝缘电阻出现劣化时,绝缘监测电路应迅速识别并发出报警信号。绝缘监测电路的推荐应用电路如图 1.1 所示。K1 及 K2 为纳芯微固态继电器(Solid - State Relay, SSR)在绝缘监测电路中的主要应用位置,该芯片采用低压侧控制,其低压侧参考地为车身地。此应用电路每隔 2 - 3 秒,通过 K1、K2 开关来测量绝缘监测电路 Rp、Rn 的阻值,并通过开关 K3 控制绝缘监测电路的工作状态。在绝缘监测过程中,K3 处于常闭状态。通过对不同开关状态下电压的测量和计算,可得出绝缘电阻的计算公式。

图 1.1 绝缘监测电路推荐应用电路
- 电阻选型
- 电阻选型考量:在电路设计中,通常令 R1 = R2<R3 = R4,这其中存在多方面的设计考量。从 ADC 输入电压方面来看,R5 上的电压需始终小于 ADC 的输入电压,且值应接近 ADC 的输入电压,以确保 ADC 的输出精度,进而得到 R5、R4 的比例关系。对于 ADC 内阻,R5 作为 ADC 采样的输入口,其阻值要小于 ADC 的内阻。同时,在 K1 和 K2 开关过程中,监测电路中的 R1 和 R2 分别并联在 Rp 和 Rn 上,若 R1、R2 过小,会使实际的绝缘电阻 Rp//R1 和 Rn//R2 大幅降低。此外,为了保证识别精度,结合公式 (4),当 Rp//R3 劣化到小于临界值 500?VBUS 后,MCU 需能识别到绝缘电阻劣化并报警,因此需要较小的 R2,使 Vp2 和 Vn2 在数值上有足够差异以抵消 ADC 精度误差。在实际系统中,部分客户车身地和电池地中间并联 Y 电容,存在 RC 充放电过程,R1、R2 需小一些以减少 settle time,但如果取得过小,会使 K1、K2 闭合时的并联等效阻抗 Rp//R3//R1、Rn//(R4 + R5)//R2 偏小,对人身安全造成威胁。
- 400V/800V 系统推荐电阻值:基于上述分析,可参考以下表格设计绝缘监测电路分压电阻。

表 2.1 400V 系统推荐电阻选型

表 2.2 800V 系统推荐电阻选型
- 继电器选型
- 继电器漏电流对监测精度影响:当绝缘电阻劣化到小于 500?VBUS 时,系统应及时报警。以 VBUS = 800V 的系统为例,按标准要求绝缘电阻应大于 400kΩ。若 K1、K2 上漏电流小于 1μA,其等效阻抗大于 800MΩ,远大于绝缘电阻 Rp、Rn,对 400kΩ 测量带来的误差小于 0.05%;若漏电流为 10μA,其等效阻抗等于 400MΩ,测量误差约为 0.5%。由此可见,漏电流越大,对测量精度的影响越大。选用漏电流小 (<1μA) 的纳芯微 SSR 产品来实现 K1、K2 的开通、关断功能,有助于提升测量精度,避免误报警。
- 继电器可靠性对系统可靠性的影响:传统机械继电器开关寿命有限,达到开关次数后,系统绝缘监测功能会失效,存在严重的人身安全隐患,因此已基本退出此应用场景。目前传统 PhotoMOS 使用较多,它在控制侧发光二极管 (LED) 通电流后,光敏二极管接收光照射,由光电效应产生电流控制高压侧 MOS 导通。然而,LED 长时间使用后发光强度会降低,主流光耦供应商预测,1000 小时后阈值电流会升高 10%,11 年后阈值电流需提高 5 倍以上。若按数据手册中的阈值电流设计,光敏二极管接收到的能量不足,会导致误码失效。虽可通过设计较大输入电流解决光衰问题,但更大电流会带来更高温度,高温会降低发光二极管将电信号转化为光信号和光敏二极管将光信号转化为电信号的效率,且由于高温寿命问题,PhotoMOS 一般限制在 85°C 环境温度下。相比之下,采用容隔或者磁隔的固态继电器替代类似光耦的 PhotoMOS,可极大提高系统的可靠性。纳芯微开发的 NSI7258 固态继电器通过了 EMI CISPR25 CLASS 5 标准,采用高可靠电容隔离技术,将强大的技术创新能力与车规高可靠性的质量管理体系相结合,为绝缘监测系统提供了高性能、高可靠性的解决方案。

图 3.1 PhotoMOS 原理

图 3.2 NSI7258 EMI 测试结果
- 绝缘监测应用潜在 EMS 问题:在新能源汽车中,电子组件的可靠性对整车性能至关重要。特别是在恶劣电磁干扰环境下,确保车辆集成的各单元正常运作,符合电磁兼容性标准是关键问题。诸如辐射抗扰 (RI)、大电流注入 (BCI)、手持发射机抗扰 (PTI) 等部分 EMS 测试,可等效为在芯片的高、低压侧两端加一高频电流源。尽管电路板上及空间中存在寄生电容高频电流泄放路径,但仍会有部分电流直接注入芯片内部。在电流频率较高时 (约几百 MHz),隔离电容呈现阻抗相对较低,成为潜在电流通路,且当电路上无其他高频电流泄放路径设计时,电流将穿过隔离电容,经由芯片高压侧回流至低压侧,形成电流环路,可能干扰芯片正常工作。BMS 系统产品在设计验证环节中,需要进行系统 ESD 测试,其中下电模式用于模拟产品在制造、组装、测试、存放及搬运等过程中,因人为接触导致人体积累的静电的泄放过程,评估产品抵抗静电放电破坏的能力。在该测试中,需将 ESD 枪的地接至设备机壳地,放电点为暴露在表面的零部件 (机壳、螺丝等) 及人能直接接触到的接插件的每个 Pin 脚,且通常需要通过 ±8kV 测试需求。由于固态继电器产品跨接在 BMS 系统高压域与低压域间,若芯片位置设计不合理,±8kV 的 ESD 电压将直接施加在芯片隔离带两侧,且无其他 ESD 电流泄放路径。

图 4.1 部分 EMS 测试等效模型

图 4.2 系统 ESD 测试等效模型 - 推荐应用电路分析:在绝缘监测应用电路中,推荐将 SSR 放至电桥中点两侧,经过大分压电阻 R1、R2 后再与高压母线 VBUS + 及 VBUS - 连接。以 K1 为例,由于 K1 的 D1、D2 引脚至高压母线及线路上均存在大分压电阻,使得高频干扰电流难以灌入 SSR 芯片,同时 K3 导通,进一步提供了高频干扰电流泄放路径。当系统注入干扰时,干扰电流流通路径为 VBUS + → R1 → K1 导通电阻 RDSON→ K3 导通电阻 RDSON→ 车身地 GND,不会流经 SSR 隔离电容,SSR 受干扰误工作风险低。同时,推荐在芯片低压侧串联磁珠,用以进一步增大芯片低压侧的线路阻抗,阻碍高频电流流入芯片。考虑到隔离电容在高频情况下更容易穿过电流,推荐使用阻抗在 100MHz - 400MHz 频段内较高的磁珠,可有效阻碍干扰电流。在系统 ESD 下电模式测试中,ESD 电压将施加在 VBUS + 、VBUS - 与车身地 GND 之间。对于 K1、K2 及 K3,由于在 ESD 路径上存在兆欧级限流电阻,可保护芯片。而电路的欠佳设计如图 4.2 所示,K2 与 R2 位置互换,直接与 HV - 相连,使得 K1 与 K2 表现出不同的 EMS 及 ESD 性能。由于缺少分压大电阻的阻挡,高频电流将直接通过 D2 引脚注入 K2,同时,由于 K2 的 D1 引脚与电桥中点间存在大分压电阻 R2,隔离电容的阻抗相对更小,干扰电流无法经由 K3 流至车身地 GND,而是直接经过 K2 的隔离电容回到车身地。干扰电流流通路径为 HV - → K2 隔离电容 CISO→ 车身地 GND。由于电流流经 SSR 隔离电容,SSR 存在受干扰误工作风险。同时,在系统 ESD 测试中,ESD 电压将由 K2 的隔离电容直接承压,当施加的 ESD 电压过高,将导致芯片损坏。

图 4.3 绝缘监测欠佳设计 - 推荐 PCB 布局:PCB 板布局对 EMS 性能非常重要。根据上述电路优化设计思路,给出如下 PCB 电路设计参考。侧和二次侧必须物理隔离,爬电距离和间隙必须符合适用于该应用的安全标准,考虑到一般 PCB 电路板为 CTIⅢ 级,需进行开槽以保证足够的爬电。为保证足够的抗共模干扰性能,应充分注意 PCB 板上走线,考虑分布寄生电容的影响,避免因同层、跨层走线过近,产生寄生低阻抗路径,使干扰电流在芯片高压侧直接注入芯片 D1、D2 引脚。同时,在磁珠附近,应避免大面积铺地,避免电流通过空间电容绕过磁珠,降低磁珠效果。经实验验证,该推荐电路可通过 100k - 400MHz ISO11452 - 4 Level 4 的 BCI 测试及 ±10kV 的系统 ESD 测试。

图 4.4 绝缘监测推荐原理图
关键词:NSI7258 固态继电器