在音频技术领域,音频功放起着至关重要的作用。今天我们要深入探讨的是 TDA2030A 音频功放及其应用。 TDA2030A 是意大利 SGS 公司的一款经典产品,它采用 5 脚塑料封装...
分类:音频电路 时间:2025-09-02 阅读:441
集成功率放大器LA4112组成的音频功率放大器电路如图所示。 电路中各元件的作用如下: cl、G一输入、输出耦合电容,隔直作用。 C2和Rf -反馈元件,它决定了电路的...
分类:音频电路 时间:2025-08-28 阅读:399
在音频处理领域,具有环绕声功能的双声道音频处理电路能够为用户带来更加沉浸的听觉体验。本文将详细介绍一款名为 R2S15900 的具有环绕声功能的双声道音频处理电路。电路整...
分类:音频电路 时间:2025-08-20 阅读:239
这种电子三分频功放所连接的音箱无需再使用 LC 分频器进行分频,具有显著的先天优势。RC 电路在分频精度、相移等指标方面表现出色,其计算值与实际值高度重合。在该功放中...
分类:音频电路 时间:2025-08-14 阅读:284
在音频设备领域,高性能有源防磁音箱一直备受关注。其不仅能提供出色的音质表现,还能有效避免磁场对周围设备的干扰。下面我们将详细介绍高性能有源防磁音箱的制作过程。 ...
分类:音频电路 时间:2025-08-14 阅读:267
在晶体管收音机的电路设计中,OTL(Output Transformer Less,无输出变压器)功率放大电路是一种常用的电路结构。下面为您详细介绍晶体管收音机中的 OTL 功率放大电路。如...
分类:音频电路 时间:2025-08-07 阅读:376
揭秘 TDA7021T 调频收音机电路图:高灵敏度小体积收音机的奥秘
在无线电爱好者的世界里,自制调频收音机是一项充满乐趣且富有挑战性的活动。今天,我们将介绍一款基于 TDA7021T 集成电路设计的单片调频收音机,它具有灵敏度高、体积小等...
分类:音频电路 时间:2025-07-23 阅读:337
在电子电路设计中,降压转换器的稳定性至关重要。当我们首次启动降压转换器时,若能确信它会稳定运行,无疑能为后续的工作节省大量的时间和精力。而这一目标可以通过使用简...
分类:音频电路 时间:2025-07-18 阅读:348
LM324 是一款经典的四运放集成电路,它采用 14 脚双列直插塑料封装,其外形如图所示。该集成电路内部包含四组形式完全相同的运算放大器,除了电源共用之外,这四组运放相互...
分类:音频电路 时间:2025-07-18 阅读:371
LM386 作为集成 OTL 型功放电路的常见类型,是一款颇具特色的音频集成功放。它具有自身功耗低、增益可调整、电源电压范围大、外接元件少和总谐波失真小等优点,与通用型集...
分类:音频电路 时间:2025-07-10 阅读:517
这个声音效果发生器本质上是一个缓慢运行的振荡器,它具备变量进攻和衰减的特性。从其功能角度来看,它能够产生多种不同的输出波形,为声音效果的多样化提供了可能。该波形...
分类:音频电路 时间:2025-07-08 阅读:310
在当今追求节能环保的时代,声光双控节能开关因其能够根据环境光线和声音自动控制电路通断,实现节能的目的,而被广泛应用于楼道、走廊等场所。下面将详细介绍一款声光双控...
分类:音频电路 时间:2025-07-05 阅读:263
在音频设备的设计中,音频功率放大器是至关重要的组成部分。LM4889 作为一款主要应用于手机的音频功率放大器,以其独特的性能和简洁的电路设计,在音频领域占据了一席之地...
分类:音频电路 时间:2025-07-03 阅读:177
在电子设备的世界里,调频话筒是一种常见且实用的音频设备。本文将详细介绍一种由 3 伏电源驱动、两只晶体管构成的调频话筒,深入剖析其工作原理、元件选择以及性能特点。...
分类:音频电路 时间:2025-07-03 阅读:382
专业揭秘:基于 BA5104/BA8206 的音响遥控电路图
在音响设备的设计中,为其配备遥控功能可以极大地提升用户的使用体验。本文将详细介绍一种基于易购的风扇 IC BA5104/BA8206 制作的音响遥控电路,该电路经过合理设计,充分...
分类:音频电路 时间:2025-06-17 阅读:323
在音响设备的应用中,音频频谱显示装置能够为用户带来独特的体验。高档音响设备通常配备此类装置,它不仅可以让用户随时了解播放信号的瞬时频谱,还具有高雅美观的视觉效果...
分类:音频电路 时间:2025-06-07 阅读:341
这让我开始思考,实现一个覆盖完整 10 个八度音频范围(20 Hz 到 20 kHz)的 LPVCO 会有多难。甚至我决定为了额外加分,尝试实现一个适合直接驱动尼克著名的挤压二极管正弦...
分类:音频电路 时间:2025-06-05 阅读:244
在音频系统中,功放电路的设计对于音质的表现起着至关重要的作用。今天我们要介绍的是两种有源二分频功放电路,它们在音频处理方面有着独特的优势和特点。这种有源二分频功...
分类:音频电路 时间:2025-06-04 阅读:279
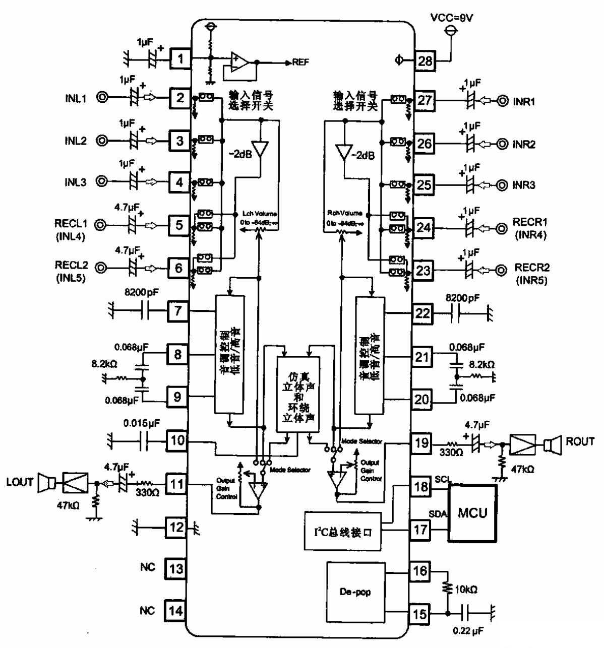
在音频技术领域,数字音频信号处理电路起着至关重要的作用。今天,我们将深入探讨一款典型的数字音频信号处理电路 ——TDA7449。 这款电路以 TDA7449 芯片为核心,具备...
分类:音频电路 时间:2025-06-04 阅读:362




























