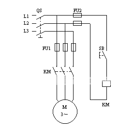
点动正转控制线路是用按钮、接触器来控制电动机运转的最简单的正转控制线路。如图 1所示。 起动:按下起动按钮 SB →接触器 KM 线圈得电→ KM 主触头闭合→电动机 M 起...
分类:控制电路 时间:2025-09-15 阅读:5792
采用功率开关 TWH875 的路灯自动控制器:电路原理与元件选型
在现代城市照明系统中,路灯的自动控制能够有效提高能源利用效率,降低人工管理成本。本文将详细介绍一种采用功率开关 TWH875 的路灯自动控制器电路,包括其工作原理、元件...
分类:控制电路 时间:2025-09-03 阅读:547
在许多工业生产和日常生活场景中,对液位进行自动控制是非常重要的。液位自动控制器能够根据液位的变化自动控制加液泵的工作,实现液位的稳定控制。下面我们将详细介绍一种...
分类:控制电路 时间:2025-08-29 阅读:364
在众多生产机械的运行过程中,停车时需要适当的制动作用,以促使运动部件迅速停车。停车制动的方法多种多样,主要包括机械制动和电气制动等。其中,能耗制动作为一种应用极...
分类:控制电路 时间:2025-08-28 阅读:475
在许多工业和科研领域,对温度的精确控制至关重要。精密自动温度控制电路能够实现对温度的精准调控,满足各种应用场景的需求。下面我们就来详细了解一下这种电路。 电路...
分类:控制电路 时间:2025-08-27 阅读:331
在日常生活中,普通遥控器往往不带背光功能,这使得在夜间使用时需要额外开灯才能看清按键,给用户带来了诸多不便。为了解决这一问题,我们可以设计一个遥控器背光照明延时...
分类:控制电路 时间:2025-08-25 阅读:359
在现代电子通信与控制领域,利用电话进行远程控制是一项颇具实用价值的技术。音频拨号电话机不仅在拨号时能够产生 DTMF(双音多频)信号,在话路接通后也可继续拨号发送此...
分类:控制电路 时间:2025-08-19 阅读:314
在电焊机的设计领域,晶闸管控制的接触式电焊机电路是一种较为常见且实用的设计方案。这种电路通过巧妙运用晶闸管的特性,实现了对焊接电流的有效调节。下面我们来详细了解...
分类:控制电路 时间:2025-08-15 阅读:303
在现代电力系统中,PLC(可编程逻辑控制器)在输电线路自动重合闸控制电路中发挥着至关重要的作用。下面我们将详细介绍该控制电路的相关内容。 控制过程分析 输电线...
分类:控制电路 时间:2025-08-14 阅读:362
在电子电路设计中,定时控制是一项常见且重要的功能。LM555 多级循环定时控制器电路能够实现复杂的循环定时控制,下面我们来详细了解一下。 一、电路工作原理 该电路...
分类:控制电路 时间:2025-08-07 阅读:421
在自动或半自动弧焊设备的运行过程中,为了精准控制焊丝输送以及焊车行走,以满足复杂多样的焊接工艺要求,拖动控制电路发挥着至关重要的作用。其中,35W 半波阻容移相触发...
分类:控制电路 时间:2025-08-01 阅读:244
在现代电子技术领域,负阻型介质振荡器是一种重要的电子器件,广泛应用于通信、雷达等众多领域。下面将详细介绍负阻型介质振荡器及其等效电路。 图中展示的是负阻型介质...
分类:控制电路 时间:2025-07-29 阅读:206
在现代社会,节能减排已成为各个领域关注的重点。在照明领域,为了方便楼道通行的同时实现节约用电,设计一款有效的楼道照明灯延时控制电路显得尤为重要。本文将详细介绍一...
分类:控制电路 时间:2025-07-17 阅读:334
PLC(可编程逻辑控制器)电路在工业控制等众多领域中扮演着至关重要的角色。它是一种专门为在工业环境下应用而设计的数字运算操作电子系统。PLC 电路具有诸多显著特点。其...
分类:控制电路 时间:2025-07-15 阅读:305
在工业生产和物流运输中,起货机扮演着至关重要的角色,而起货机制动控制电路则是保障起货机安全、稳定运行的关键部分。下面我们将详细介绍起货机制动控制电路的构成、保护...
分类:控制电路 时间:2025-07-11 阅读:326
在照明控制领域,渐亮、渐灭式灯光控制器具有独特的优势。它能够有效避免开灯时灯光突然变亮对人眼睛造成的刺激,同时还能减小开灯时冲击电流对灯泡可能造成的损坏。下面我...
分类:控制电路 时间:2025-07-11 阅读:351
电能表 LCD 控制驱动集成电路 SM9913 典型应用电路
在电能表的设计中,LCD 控制驱动集成电路起着至关重要的作用。其中,SM9913 是一款具有代表性的集成电路,下面我们将详细介绍其典型应用电路。如图所示为电能表 LCD 控制驱...
分类:控制电路 时间:2025-07-07 阅读:329
在电子电路设计中,流水灯控制电路是一个既有趣又实用的设计案例,它能实现灯组按顺序依次点亮和熄灭,呈现出流水般的动态效果。下面我们来详细分析流水灯控制电路的工作原...
分类:控制电路 时间:2025-07-02 阅读:466
在电子电路设计领域,尤其是涉及电机控制、电源管理以及电池监测等高精度电流检测场景时,电流采样电路的设计至关重要。本文将详细且深入地分析一种基于差分放大器的电流采...
分类:控制电路 时间:2025-07-01 阅读:1228




























