开关二极管和整流二极管虽然都是二极管,但它们的设计侧重点不同,因此特性和使用场景有巨大差异。简单来说:整流二极管就像一位大力士,力量大(电流大),但动作慢。开关二极管就像一位击剑运动员,动作极快(频率...
在电子电路设计领域,二极管是一种极为常见且重要的电子元件。它具有多种用途,可作为整流器、反向阻断器、开关转换器等。然而,要在电路设计中选择合适的二极管并非易事。今天,我们就来详细介绍在 PCB 设计中选择...
在电子元件的广阔领域中,二极管是一个至关重要且多样化的家族。凭借其多样的特性,二极管衍生出了多个不同的分支,每种类型都拥有独特的结构和功能,在各种不同的电路中承担着关键的角色。下面,我们就来详细了解几...
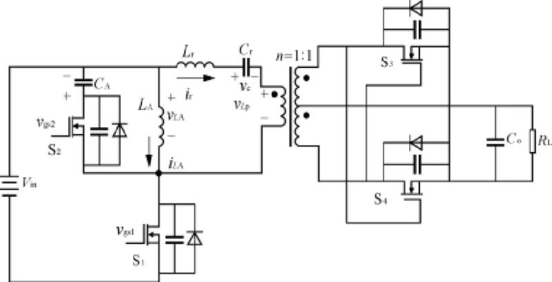
在当今电子技术飞速发展的时代,电路的工作特性发生了显著变化,工作电压越来越低、电流越来越大。这种变化虽然有利于降低电路的整体功率消耗,但也给电源设计带来了新的挑...
在电子电路领域,整流二极管是一种常见且重要的电子元器件。二极管从正向导通到截止并非瞬间完成,而是存在一个反向恢复过程。下面我们将详细探讨整流二极管的反向恢复过程...
在电子元器件的世界里,肖特基二极管是一种十分重要的存在。2025 年 8 月 4 日消息,我们来深入探讨一下肖特基二极管为什么会有三个脚。 肖特基二极管(Schottky Barrier Diode),它是基于金属半导体接触形成的...
在电子电路中,肖特基势垒二极管与 PN 结二极管是两种极为重要的整流器件。它们虽然都具备单向导电性这一基本特性,但在物理机制、电学特性以及应用场景等方面却存在着十分明显的差异。接下来,合科泰将深入为我们讲...
二极管作为一种基本的半导体元件,在电子电路中扮演着至关重要的角色,其主要功能是允许电流在一个方向流动而阻止反方向的流动。为了确保二极管的正常工作状态,检测其性能和功能是必不可少的环节。本文将详细介绍三...
在现代电子技术领域,光敏二极管作为一种重要的光探测器,发挥着不可替代的作用。它能够根据使用方式,将光信号转换成电流或者电压信号,在诸多领域都有广泛的应用。光敏二极管简介光敏二极管,也被称为光电二极管(...
二极管选型只盯着正向参数?一个看不见的“漏洞”可能正在吞噬你的电路性能与寿命。在电子设计中,我们为二极管贴上单向导电的标签:正向导通,反向阻断。工程师们往往更关注其正向导通电压、额定电流和开关速度等“...
在电子电路的世界里,肖特基二极管和场效应管都是极为重要的电子元件。那么,肖特基二极管与场效应管的区别究竟在哪里呢?接下来,我们将从基本概述、工作原理、特性等多个方面进行详细解析。肖特基二极管概述肖特基...
二极管T4与M7的区别对比 二极管T4和M7是两种常见的贴片二极管,主要用于整流、保护等电路设计。它们在封装、电气参数和应用场景上有显著差异,以下是详细对比: 1. 封装与外观 型号封装类型尺寸(长×宽×...
在电子元器件的领域中,LL4148 二极管是一款极具特色的小型单开关二极管。它的作用与整流器相似,能够确保电流实现单向流动。LL4148 采用小型表面贴装封装,这一设计使其在快速开关应用中得到了广泛的使用。相较于标...
分类:元器件应用 时间:2025-07-18 阅读:157 关键词:LL4148 二极管
贴片稳压二极管,也被称作齐纳二极管或稳压二极管,在各类电子设备中有着广泛的应用。它的主要功能是借助反向击穿电压,来稳定电路中的电压。在选择贴片稳压二极管的封装时,需要综合考量多个关键参数,像功率耗散、...
在电子电路中,二极管是一种极为常见且重要的电子元器件。它具有单向导电性这一主要特性,即在正向电压作用下,导通电阻很小;而在反向电压作用下,导通电阻极大或无穷大。正是因为二极管具备这一特性,使其在整流、...
在众多输入不受系统控制且连接到外部世界的应用场景中,如测试设备、仪器仪表以及部分传感设备等,输入电压极有可能超过前端放大器的最大额定电压。为确保设计的生存范围和...
当客户提出防护需求时,要迅速且精准地给出切实可行的整改意见。电路保护元器件的应用范围极为广泛,凡是涉及电的领域,都有安装电路保护元器件的必要。例如各类家用电器、家庭视听及数码产品、个人护理等消费类电子...
解析 Littelfuse SMFA:非对称 TVS 二极管助力 SiC MOSFET 高效栅极保护
在当今的电源和电力电子领域,碳化硅(SiC)MOSFET 的应用正变得越来越广泛。随着功率半导体技术的不断进步,开关损耗也在持续降低。然而,随着开关速度的不断提高,设计人...
在工程技术领域,贴片二极管作为一种重要的电子元器件,其内部结构与普通二极管基本一致,均由一个 PN 结构成。正因如此,贴片二极管的检测方法与普通二极管大致相同。通常情况下,对贴片二极管的检测会采用万用表的...
在电子元器件的世界里,PIN 二极管是一种特殊类型的二极管,因其独特的结构和性能,在高频应用和光电应用领域展现出了卓越的优势。接下来,我们将深入探讨 PIN 二极管的反向阻断特性,包括其定义、工作原理、影响因...













